ZEUS EKO Verzia 2
Oceľové teplovodné kotly ZEUS EKO sú určené najmä na spaľovanie dreva s obsahom vody do 20% s maximálnou dĺžkou do 280 mm a drevných brikiet. Kotlové teleso je vyrobené z vysokokvalitnej žiaruvzdornej kotlovej ocele hrúbky 5 mm (steny spaľovacej komory, ktoré sú v styku s plameňom a vodou) a hrúbky 3 mm (steny, ktoré sú v styku len s vodou). Izolačný kryt je vyrobený z oceľového plechu hrúbky 1 mm a povrchovo upravený technológiou statického nanášania práškovej farby. Tepelnú izoláciu tvorí minerálna vata. Rošt je liatinový.
Moderné konštrukčné riešenie teplovýmenných plôch a spaľovacieho priestoru zaručuje dokonalosť spaľovania s vysokou účinnosťou a nízkou tvorbou škodlivých látok v spalinách.
Kotly spĺňaju najprísnejšie ekologické kritéria.
- spĺňa triedu 5 podľa EN 303-5 a normu EKODESIGN
- hrúbka plechu 5mm
- možno použiť aj na samotiaž

-
75 rokov histórie - overená tradícia Tradícia vývoja a výroby kotlov na ústredné kúrenie sa začína odvíjať začiatkom 60-tich rokov
-
Dlhá životnosť kotlov Vďaka dlhoročným skúsenostiam a použitými materiálmi a modernými technológiami výroby dosahujú naše kotly dlhú životnosť k spokojnosťti zákazníkov, kde značná časť výrobkov je stále v prevádzke aj po mnohých rokoch
-
Vlastný vývoj a konštrukcia Výrobky sú vyvíjané v spolupráci s významnými európskymi firmami a inštitúciami v oblasti spaľovania, regulácie a dizajnu
-
Ekologické spaľovanie Naše výrobky dosahujú vysokú účinnosť a nízke hodnoty emisií, čo zabezpečuje ekologické spaľovanie a ochranu životného prostredia a nízke prevádzková náklady.
Prečo si zaobstarať kotol ZEUS EKO ?
-
1. Kotol bez potreby elektrickej energie
Vďaka špeciálnej konštrukcii, ktorá zaručuje dobré ťahové podmienky u väčšiny vykurovaných objektov, nemá kotol odťahový ventilátor a je úplne nezávislý od elektrickej energie.
-
4. Široká výkonová rada
Kotly ZEUS EKO sú dodávané v širokom výkonovom rozsahu a pokrývajú dopyt ako od veľkých dielní a komerčných priestorov, tak aj od malých, moderných rodinných domov. Kotly s nižším výkonom sú vhodné ako záložný zdroj napríklad k tepelnému čerpadlu.
-
2. Kompaktné rozmery a nízka hmotnosť
Vzhľadom na jednoduchú, ale účinnú konštrukciu kotla majú kotly ZEUS EKO veľmi malé rozmery a nízku hmotnosť. Táto kompaktnosť prispieva k možnosti montáže kotla do priestorov s veľmi obmedzeným prístupom alebo malým priestorom.
-
5. Veľká priklacia komora
Veľká prikladacia komora zaistí dlhú dobu horenia – až 6 hodín, ako aj pohodlné spaľovanie veľkých kusov paliva. Palivo je možné prikladať vodorovne aj zvisle. Je možné spaľovať aj menej kvalitné drevo – mäkké aj tvrdé.
-
3. Jednoduchá údržba
Naše kotly sú veľmi nenáročné na obsluhu av priemere vyžadujú čistenie raz za mesiac. Samotné čistenie kotla zaberie rádovo 15-20 minút a nevyžaduje odborné znalosti.
-
6. Vysoká životnosť kotla
Správna údržba v kombinácii so správnou prevádzkou zaistí životnosť kotla až do 20 rokov! K dlhej životnosti kotla prispieva aj použitie suchého paliva a prevádzka kotla nad teplotu rosného bodu.
Popis hlavných častí kotla ZEUS EKO

Popis kotla
Nová rada odhorievacích kotlov ZEUS EKO na kusové drevo spĺňa emisnú triedu 5 a EKODESIGN. Kotly SL-EKO je možné prevádzkovať bez prívodu elektrickej energie a na samotiažne systémy. Kotly ZEUS EKO majú nový patentový systém spaľovacej komory, vďaka ktorému zaručujú tieto kotly ekologické spaľovanie s vysokou účinnosťou.
Kotly sú dodávané so vstupnou a výstupnou prírubou (4x skrutka M12) s vývodom G2″ (vnútorný závit) pre jednoduchšiu prvomontáž.
- Kotol spĺňa 5. triedu podľa STN EN 303-5 a EKODESIGN podľa 2015/1189
- Vysoká účinnosť spaľovania, nízka spotreba paliva
- Ekologické spaľovanie
- Jednoduchá obsluha a dlhá životnosť kotla
Konštrukcia kotla
Kotol je zvarený z oceľových plechov. Vnútorný priestor je rozdelený vodnou prepážkou na násypnú šachtu, spaľovaciu komoru a výmenník, ktorým prúdia spaliny ku dymovému hrdlu. Pod spaľovacou komorou a násypnou šachtou je dvojdielny rošt, ovládaný z bočnej strany kotla pákou.
Regulácia sekundárneho vzduchu privádzaného do spaľovacej komory zvyšuje účinnosť kotla. Primárny vzduch je privádzaný pod rošt regulovateľnou klapkou v popolníkových dvierkach. Regulácia sa vykonáva ručne alebo automatickým regulátorom výkonu (TRV), ktorý je dodávaný ako príslušenstvo súčasne s kotlom. Vstup a výstup vykurovacej vody je štandardne opatrený prírubami G2″, je možné si ale objednať aj kotol s prírubami G 1 1/2″ alebo DN 65. Dymovod je v osi kotla na zadnej strane.
Použitie kotla, palivo
Oceľový teplovodný kotol ZEUS EKO je zdroj tepla vhodný na vykurovanie bytov, rodinných domov, prevádzok a obdobných objektov s tepelnou stratou od 13 kW do 30 kW. Vykurovací systém môže byť s otvorenou alebo tlakovou expanznou nádobou, samotiažnym alebo núteným obehom vykurovacej vody, s maximálnym pretlakom 200 kPa.
Kotol ZEUS EKO je určený na spaľovanie suchého dreva s maximálnou vlhkosťou 20 %, tj. prírezov z guľatiny do pr. 100 mm a dĺžky do 280 mm, respektíve štiepaného dreva s kôrou alebo bez kôry a drevných brikiet. Výrobca odporúča drevo ukladať do prikladacej šachty priečne, aby dochádzalo k plynulému odhoreniu a zosuvu palív. Pri použití tzv. „netvarov" je nutný zvýšený dohľad obsluhy.
Dobrá funkcia je podmienená okrem odbornej inštalácie aj potrebným komínovým ťahom a správnou obsluhou.
Rez kotla
| Číslo | Názov |
| 15 | Proti príruba |
| 16 | Nátrubok chladiaceho výmenníka |
| 17 | Prikladacie dvierka |
| 18 | Tesniaca šnóra prikladacích dvierok |
| 19 | Madlo |
| 20 | Teplomer a tlakomer |
| 21 | Vzduchové vrecko predné |
| 22 | Žiarobetónové tvarovky |
| 23 | Vzduchové vrecko bočné horné/spodné |
| 24 | Spaľovacia komora |
| 25 | Šikmá roštová plocha |
| 26 | Spodná tvarovka |
| 27 | Rošty |
| Číslo | Názov |
| 28 | Tesniaca šnóra popoľníkových dvierok |
| 29 | Popoľníkové dvierka |
| 30 | Bočný kryt |
| 31 | Popoľník |
| 32 | Čistiace dvierka výmenníka |
| 33 | Napúšťací ventil |
| 34 | Zadný kryt |
| 35 | Brzdiče spalín |
| 36 | Zakurovacia klapka |
| 37 | Madlo klapky |
| 38 | Tesniaca snóra veka výmenníka |
| 39 | Veko výmenníka |
| 40 | Prepážka spalín |
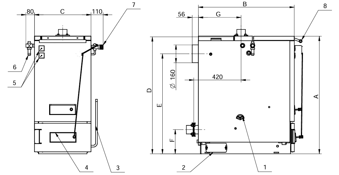
Rozmery kotla

- Klapka sekundárneho vzduchu
- Čistiace dvierka výmenníka (na oboch stranách)
- Roštová páka (možnosť umiestnenia z obidvoch strán)
- Popoľníkové dvierka
- Teplomer a manometer
- Dochladzovací bezpečnostný ventil (nie je súčasťou dodávky)
- Termostatický regulátor výkonu - TRV
- Madlo prikladacích dvierok
|
Tabuľka technických údajov
| MODRATHERM PYROSTAR PELET COMPACT | ||||||||||||||||||||||||||||||||||||||||||||||||
|
